CIRCULAR 22 DE 2018
(junio 14)
<Fuente: Archivo interno entidad emisora>
DEFENSORÍA DEL PUEBLO
Bogotá, D.C.,
| Para: | Defensores Regionales, Dirección Nacional de Defensoria Pública, Dirección Nacional de Atención y Trámite de Quejas, Delegada para la Salud, la Seguridad Social y la Discapacidad, Delegada para los Asuntos Constitucionales y Legales, Delegada para la Orientación y Asesoría a Víctimas. |
| De: | Carlos Alfonso Negret Mosquera Defensor del Pueblo |
| Referencia: | Atención a víctimas del conflicto armado que solicitan el acceso a prestación humanitaria periódica. |
Respetados Defensores Regionales, Directores Nacionales y Delegados:
La Ley 418 de 1997, en el inciso segundo del artículo 46, que las víctimas que sufrieren una pérdida del 50% o más de su capacidad laboral, por hecho del conflicto armado y según calificación sustentada en el Manual Único para la Calificación de Invalidez expedido por el Gobierno Nacional, tendrán derecho a una pensión mínima legal vigente.
El Decreto 600 de 2017, reglamentó el artículo anterior y creó una prestación humanitaria periódica, a la cual puede accederse cumpliendo los siguientes requisitos:
Artículo 2.2.9.5.3.3:
1. Ser Colombiano
2. Tener calidad de víctima del conflicto armado interno y estar incluido en el Registro Único de Víctimas -RUV.
3. Haber sufrido pérdida del 50% o más de la capacidad laboral, calificada con base en el Manual Único para la Calificación de la Pérdida de la Capacidad Laboral y Ocupacional, expedido por el Gobierno Nacional.
4. Existir nexo causal de la pérdida de capacidad laboral con actos violentos propios del conflicto armado interno.
5. Carecer de requisitos para pensión y/o posibilidad pensional.
6. No debe percibir ingresos por ningún concepto y/o mensuales iguales o superiores a un (1) salario mínimo legal mensual vigente.
7. No ser beneficiario de subsidio de auxilio, beneficio de subvención económica periódica, ni de otro tipo de ayuda para subsistencia por ser víctima.”
Si bien el Artículo 2.2.9.5.5, establece que la documentación se debe radicar directamente en el Ministerio de Trabajo, en el eventual caso que el peticionario solicite el acompañamiento de la Defensoría del Pueblo para iniciar el trámite de acreditación y reconocimiento, deberá allegar los siguientes documentos:
"(...)
1. Copia de la Cédula de ciudadanía
2. Dictamen Ejecutoriado de Calificación Pérdida de Capacidad Laboral y Ocupacional expedido por la respectiva Junta Regional de Calificación, donde se evidencie una pérdida del 50% o más de su capacidad laboral y el nexo causal entre el acto de violencia suscitado en el territorio nacional con ocasión del conflicto armado interno y estado de invalidez.
3. Declaración donde el aspirante indique cumple con los requisitos y condiciones establecidas en el artículo 2.2.9.5.3 del presente capitulo la cual se entenderá hecho bajo la gravedad de juramento.
4. Certificado expedido por la Entidad Promotora de Salud en el que se indique el estado de afiliación.”
Preocupados por la posible modificación que sufrió el contenido del beneficio consagrado en el artículo 46 de la Ley 418 de 1997, a raíz de la expedición del Decreto 600 de 2017, se solicitó concepto a la Delegada de Asuntos Constitucionales y Legales, con el fin de establecer la viabilidad de entablar una acción constitucional en contra del mentado Decreto. El concepto que emitió la Delegada adjunta al presente memorando.
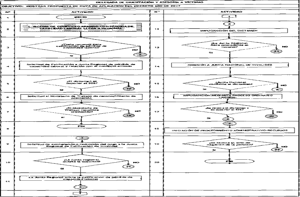
Teniendo estas claridades conceptuales se presenta la siguiente ruta: (Ver cuadro adjunto, flujograma e imagen de ruta)
1. Las víctimas del conflicto armado que acudan a las regionales y manifiesten que han perdido su capacidad laboral a causa del conflicto armado deberán ser atendidas en primera medida por el equipo psicojurídico de la Delegada de Orientación y Asesoría a Víctimas.
2. En esa oportunidad el equipo psicojurídico se entrevistará con el usuario recogiendo la siguiente información: (i) si la discapacidad es consecuencia de un hecho victimizante sucedido en el marco del conflicto armado, (ii) si el hecho victimizante, que causa la discapacidad, sucedió de manera posterior a la expedición de la Ley 418 de 1997 (26 de diciembre de 1997), (iii) si los postulantes tienen posibilidades de acceder a otro tipo de pensión, ya sea sustitución pensional o Beneficios Económicos Periódicos BEPS, (iv) si está recibiendo otro tipo de pensión, asignación de retiro o Beneficios Económicos Periódicos BEPS y por último, (v) se indagará por la capacidad económica del usuario para poder sufragar el valor del dictamen de pérdida de capacidad laboral, por medio de entrevista.
3. Si el potencial beneficiario no cuenta con los recursos suficientes para sufragar el dictamen por pérdida de capacidad laboral, el equipo psicojurídico procederá a diligenciar el formato de solicitud de exoneración o reducción de pago, el cual deberá ser radicado por la víctima ante la Junta de Calificación Regional de Invalidez.
4. En el evento que la Junta de Calificación Regional de Invalidez conteste negativamente la solicitud de exoneración o reducción de pago, se remitirá el caso a Defensoría Pública, para que el defensor público estudie el caso y determine si es procedente proyectar acción de tutela. Esta acción tendrá como objetivo que se acceda a la exoneración o reducción de pago.
5. Si existe la necesidad de solicitar la selección ante la Corte Constitucional, será remitida a la Delegada de Asuntos Constitucionales y Legales. Si existe la necesidad de insistencia, será remitida a la Dirección de Recursos y Acciones Judiciales. Ambas oficinas verificarán la procedencia de estas solicitudes.
6. En caso de no ordenarse judicialmente la exoneración o reducción de pago, se le informará a la víctima que la solicitud mencionada fue negada y se hace necesario que asuma el costo de la calificación de pérdida de capacidad laboral.
7. Si la víctima accede a un dictamen de pérdida de capacidad laboral, ya sea por sus propios recursos o por orden de tutela, y este indica que la pérdida de capacidad laboral es menor al 50%, el usuario decidirá si contradice tal pronunciamiento.
8. Al respecto, como en el Decreto 1072 de 2015 en su artículo 2.2.5.1.1 indica que no proceden recursos contra este dictamen, se estudiará la viabilidad de una acción de tutela. Este análisis será realizado por el defensor público que se asigne, el cual si lo considera pertinente, proyectará la acción de tutela.
9. Si aun así no se logra una calificación de pérdida de capacidad laboral superior al 50%, la víctima indicará si inicia un proceso ordinario laboral para controvertir la calificación. Para tal fin, podrá solicitar la representación judicial de un defensor público.
10. Si de la acción anterior, se logra revocar la calificación y obtener una superior al 50%, se realizará la solicitud de reconocimiento al Ministerio de Trabajo.
11. Si la solicitud de reconocimiento es negada por el Ministerio de Trabajo, se dará trámite al procedimiento administrativo y judicial pertinente con apoyo del defensor público.
12. En todo caso, si de las gestiones anteriores se obtiene un dictamen de pérdida de capacidad laboral superior al 50%, será procedente realizar la solicitud de reconocimiento de prestación humanitaria periódica, en caso contrario no será posible realizarla.
13. Todas las solicitudes de asignación de defensor público deberán ser canalizadas a través del profesional administrativo y de gestión.
Teniendo en cuenta lo expuesto y siendo indispensable el desarrollo de un trabajo articulado, se solicita a la Dirección Nacional de Atención y Trámite de Quejas, a la Dirección Nacional de Defensoría Pública, a la Dirección Nacional de Recursos y Acciones Judiciales, a la Defensoría Delegada de Asuntos Constitucionales y Legales, a la Defensoría Delegada para la Salud y a la Defensoría Delegada para la Orientación y Asesoría a Víctimas, que deberán:
1. Solventar las inquietudes de sus equipos regionales y establecer lineamientos específicos al respecto.
2. Establecer estrategias conjuntas para recolección de casos difíciles, exitosos y de litigio estratégico
3. trabajar por el desarrollo de estrategias conjuntas intrainstitucionales para la defensa de las víctimas del conflicto armado con discapacidad, causada por el conflicto armado.
4. Informar sobre el avance de esta ruta de atención con el fin de plantear las modificaciones pertinentes a las mismas, las cuales deberán realizarse de manera oficial.
Por último, se hace énfasis en que esta tarea debe realizarse con el acostumbrado compromiso, atendiendo la condición de vulnerabilidad del usuario, con el fin de lograr una gestión defensorial organizada, integral y garantista de los derechos de las víctimas del conflicto armado, que por consecuencias de la guerra adquirieron una discapacidad.
Atentamente,
CARLOS ALFONSO NEGRET MOSQUERA
Defensor del Pueblo



MEMORANDO
Bogotá D.C. 26 de enero de 2018
| Para: | Jose Balgazar, Defensor delegado para la orientación y asesoría a las víctimas del conflicto armado interno |
| De: | Paula Robledo Silva, Defensora delegada para los asuntos constitucionales y legales |
| Referencia: | Insumos para el análisis en el Decreto 600 de 2016, que regula la prestación periódica para las víctimas con discapacidad. |
Respetado doctor Balcázar:
La Defensoría Delegada para los Asuntos Constitucionales y Legales, ha llevado a cabo un análisis con el fin de aportar insumos orientados a definir algunas cuestiones relacionadas con la prestación regulada en el Decreto 600 de 2016, conocida como “pensión de víctimas”.
En consecuencia, en este documento se desarrollarán dos aspectos; el primero se referirá a unas consideraciones orientadas a determinar la fuente jurídica de esta prestación; y el segundo, a los reparos concretos sobre el contenido del texto del Decreto 600 de 2016, que han sido planteados por su despacho, para una posible demanda.
i. Determinación de la fuente jurídica de la prestación
De acuerdo con la jurisprudencia de la Corte Constitucional, la prestación económica consagrada en la Ley 104 de 1994(1), y en el Decreto 600 de 2016, no tiene su fuente jurídica en el Régimen General de Pensiones; y por lo tanto, no puede comprenderse como una pensión.
Esta conclusión deriva concretamente del estudio dé constitucionalidad que el Alto Tribunal adelantó en la sentencia C-767 de 2014, en relación con el artículo 1 de la Ley 782 de 2002, la Ley 1106 de 2006 y la Ley 1421 de 2010, por medio de las cuales se prorrogó la vigencia de algunas de las disposiciones consagradas en la Ley 418 de 1997, excluyendo la prestación especial para las víctimas.
De acuerdo con la sentencia, a partir del 2002 la prestación dejó de ser reconocida, por dos razones principales; la primera, la falta de vigencia de las normas que la establecían; y (a segunda, porque a partir de 2005 con el Acto Legislativo 01, se estableció la desaparición de los regímenes especiales, por lo que se estableció como condición de posibilidad para acceder a pensión cumplir con los requisitos de tiempo y edad que contempla la ley.(2)
En consecuencia, la Corte en este fallo, además de analizar la presunta omisión legislativa relativa que se presentó como consecuencia de la falta de prórroga de la prestación, también analizó su naturaleza, con el fin de determinar si esta transgredía lo establecido en el Acto Legislativo 01 de 2005, como lo sostenían algunos de los intervinientes, al señalar lo siguiente:
(...) Igualmente, alega (El Ministerio de Trabajo) que se ha producido una inconstitucionalidad sobreviniente de la norma que estableció la pensión de invalidez de la Ley 418, toda vez que el Acto Legislativo 01 de 2005 reformó el artículo 48 de la Carta estipulando que solo se puede acceder a pensión cuando se cumplan los requisitos de edad, tiempo de servicio y semanas de cotización, suprimiendo además los regímenes especiales. En este orden de ideas, a juicio del interviniente existe una incompatibilidad entre la disposición constitucional indicada y la disposición legal que establece la pensión de invalidez, pues la norma superior abolió los regímenes pensiónales especiales (...)“
Al respecto, la Corte manifestó que dicha argumentación no era de recibo, ya que la fuente jurídica de la prestación analizada, “no se encuentra en el Régimen General de Pensiones, sino en el marco de los derechos humanos y de los deberes constitucionales del Estado colombiano, razón por la cual la prestación estudiada es de naturaleza especial, fundamentada en una situación generalizada de violencia, con efectos tangibles, reales, actuales y cuantificables, producto del conflicto armado interno."(3)
En ese sentido, la Corte señaló que la finalidad de esta prestación es aminorar los impactos del conflicto en una población determinada, lo cual difiere del objetivo de las prestaciones de la Ley 100 de 1993, que buscan actuar sobre las contingencias que afectan a los trabajadores activos, que efectuaron aportes al sistema, y que se generan a partir de una relación de carácter laboral.(4)
Así mismo, reiteró que esta posición ya había sido establecida en sentencias previas(5), así como en el análisis de otras prestaciones como la otorgada a los deportistas sin recursos y de menores ingresos, también llamada pensión vitalicia, sobre la que se pronunció en la sentencia C-221 de 2011, en los siguientes términos:
(...) En ese orden de ideas, no es viable Insistir en la naturaleza pensional del estímulo, puesto que conforme con el actual ordenamiento jurídico - es decir, el
resultante luego de las reformas introducidas por la Ley 1389/10 - esta erogación no comparte ninguna de las características que definen a las prestaciones propias del régimen pensional. En efecto, la norma no prevé un método de cotización previa por parte del interesado, ni requisitos de tiempo de servicios, cotización o edad mínima y, lo que es más importante, somete la ex posibilidaddel estímulo a un factor variable, vinculado con el nivel socioeconómico del beneficiario, del cual depende la concesión del estímulo. Esta última circunstancia demuestra que, en realidad, la norma acusada se limita a prever una subvención económica para un grupo de la población, a partir de un
criterio de focalización del gasto público social'' (Subrayado y negrillas por fuera del texto). (...)
En consecuencia, esta Delegada observa que la Corte Constitucional señaló claramente cuál es la fuente jurídica de esta prestación aclarando que no se encuentra en el marco del Sistema General de Pensiones y que no se le debe aplicar el régimen jurídico para este tipo de prestación, sino que por su carácter especial debe regirse por sus propias reglas, las cuáles se encuentran desarrolladas en el Decreto 600 de 2016, esto, sin perjuicio de los reparos concretos que sobre esta regulación se puedan plantear en el futuro.
ii. Análisis de los reparos concretos sobre el contenido del texto del Decreto 600 de 2016
Con el fin de analizar el contenido del Decreto 600 de 2016, este despacho ha realizado numerosas acciones de forma articulada con las Defensorías Delegadas para la Salud y Segundad Social, la Delegada para las Víctimas y la Dirección de Atención y Trámite de Quejas. Así, dirigió a estos despachos un concepto en relación con algunos reparos concretos con el texto del Decreto, que podrían dar lugar a la presentación de acciones judiciales(6).
Posteriormente, llevó a cabo una reunión en la que se identificaron los cargos que podrían ser planteados, los cuáles fueron puestos en conocimiento de todos los interesados(7), al tiempo que se les solicitó apoyar este proceso en dos sentidos: (i) contribuyendo a la integración normativa, es decir que desde su experticia se identificaran todos las normas que deberían ser demandadas; y (ii) llevando a cabo el análisis sobre las consecuencias de la exclusión dé esos artículos del ordenamiento, es decir dé la conveniencia de la demanda en términos de garantía de los derechos de las víctimas(8).
En consecuencia, pongo en su conocimiento los cargos identificados, con unos comentarios, resultado de los análisis más recientes llevados a cabo por esta Delegada sobre el tema.
Consultar anexo en PDF directamente en el siguiente enlace:
https://168.61.69.177/documentospdf/PDF/C_DP_0022_2018.pdf>
1. Norma derogada por la Ley 418 de 1997, pero que prorrogó la existencia de ésta prestación.
3. Ibídem.
4. Ibídem.
5. Sentencias T-436 de 2012 y.T-469 de 2013.
6. Oficio 4070- de 4 de julio de 2017.
7. Enviado por correo electrónico el 22 de agosto de 2017.
8. Al respecto no conocemos ningún avance.
9. Sentencia C-302 de 1999; C-028 de 1997, C-1005 de 2008, entre otras.